Application Overview
Energy storage can achieve the grid connection of new energy power, maintain efficient and safe operation of the power grid, and balance power supply and demand, especially in the large-scale new energy power generation process. The energy storage system is conducive to peak shaving and valley filling, enabling the smooth output of unstable electricity such as photovoltaic and wind power.
Marching Power has become the preferred manufacturer for energy storage solutions (ESS) in terms of efficiency, innovation, performance, and cost. Core Changzheng's discrete SJ MOSFET, SiC, VD MOSFET, IGBT single transistor and IGBT module, as well as highly integrated Easy 3B, Flow 2 and other products provide the best solutions for various energy storage systems.
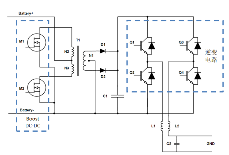
Application System Diagram
Application Topology Diagram
Recommended Products
IGBT Discretes Product List
| Part Number | VCE(V) | Ic(A)@100℃ | Vcesat(V) @25℃ typ |
Eon(mJ) | Eoff(mJ) | Package | Datasheet |
|---|---|---|---|---|---|---|---|
| MPBQ100N120E | 1200 | 100 | 1.7 | 8.9 | 6.2 | TO-247 plus | Download |
| MPBQ75N120BF | 1200 | 75 | 1.9 | 4.6 | 4.4 | TO-247 plus | Download |
| MPBL75N120BF | 1200 | 75 | 1.9 | 5.4 | 4.1 | TO-264 | Download |
| MPBQ75N120E | 1200 | 75 | 1.58 | 4.97 | 3.42 | TO-247 plus | Download |
| MPBW40N120BF | 1200 | 40 | 1.85 | 1.6 | 3.0 | TO-247 | Download |
| MPBW25N120BF | 1200 | 25 | 1.9 | 1.6 | 1.9 | TO-247 | Download |
| AMPBW50N65E | 650 | 50 | 1.6 | 1.2 | 1.12 | TO-247 | Download |
| MPBW50N65EH | 650 | 50 | 1.54 | 1.14 | 1.26 | TO-247 | Download |
| MPBW40N65EH | 650 | 40 | 1.5 | 0.81 | 0.85 | TO-247 | Download |
| MPBW40N65E | 650 | 40 | 1.5 | 0.94 | 0.85 | TO-247 | Download |
IGBT Modules Product List
| Part Number | VCE(V) | Ic(A)@100℃ | Vcesat(V) @25℃ typ |
Eon(mJ) | Eoff(mJ) | Package | Datasheet |
|---|---|---|---|---|---|---|---|
| MPFF600R12MBF M3 | 1200 | 600 | 2.2 | 151.3 | 88.6 | EconoDUAL 3 | Download |
| MPFF450R12KBF | 1200 | 450 | 2.04 | 88.4 | 43.7 | 62mm module | Download |
| MPFF400R12KBF | 1200 | 400 | 1.9 | 27.8 | 38.9 | 62mm module | Download |
| MPFF300R12KBF | 1200 | 300 | 2.05 | 13.7 | 21.7 | 62mm module | Download |
| MPFF200R12KBF | 1200 | 200 | 2 | 8.8 | 13.6 | 62mm module | Download |
VD MOSFET Product List
| Part Number | VDSS(V) | ID(A)@25°C | V(GS)th(V)@250μA | RDS(on)(Ω)@VGS=10V 25°C max | QG(nC) | Package | Datasheet | |
|---|---|---|---|---|---|---|---|---|
| min | max | |||||||
Silicon-based chip and module series
Third generation semiconductor chip and module series